|

MR-F-TP Modbus RTU

910031
909324
910158
909326
Description

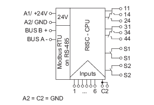
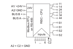
The Modbus three-point module with 6 digital inputs, 2 two-level relay outputs and 2 digital outputs was developed for decentralized switching tasks. It is suitable for switching, for example, multi-level pumps and fans or louvers. In this case it is necessary to protect the relay contacts by appropriate load-dependent measures. The inputs and outputs can be switched and scanned by means of standard registers via a Modbus master. The input terminals 1 to 6 are wired with the C2 terminals on two poles to potential-free switches or contacts. The module has a manual control for the outputs. Module address, bit rate and parity are set with two rotary switches on the front or by software. Suitable for decentralized mounting on DIN TH35 rail according to IEC 60715 in electrical distribution cabinets.

  • Connection with spring clamp terminal blocks (push-in)
logo_culs_listed
Technical Data
General Data
Modbus RTU
00 to 99
RS485 (two-wire bus)
1200 to 115200 bit/s
24 V AC/DC +/- 10 %
100 mA (AC) / 40 mA (DC)
100 %
6 x digital contacts
4.5 V DC
2 x two-level
250 V AC
5 A / output
2 NO contacts (DPST-NO) (photoMOS)
40 V AC/DC
100 mA
Green, red and yellow LED
50 x 69.3 x 60 mm
125 g
-5 °C to 55 °C
-20 °C to 70 °C
IP40 / IP20
Check US distributor inventory
Accessories
Accessory of
Part number
1108381370
4251394620695
Downloads
FAQ's

What can I do if the red ERROR LED on the module lights up or there is no communication?

There are several possible causes, please check the following:

- Operating voltage (A1 / A2) connected and sufficient for the device.
- BUS (A- / B+) connected and not reversed. Pay attention to (- / +), not to A/B.
- Address (rotary switch) set correctly, must not occur twice or be 0.
- Bit rate and parity (rotary switch) set correctly, only possible in programming mode (see mounting note).
- Shielded and twisted cable used.
- Termination resistor (120 Ω) set on both sides.
- Bias resistors available once on the BUS.
- Timeout high enough for all participants to respond (approx. 10 ms).

× Do you have any questions?