|

MR-DI4-IP65 Modbus RTU, with external display

915494
931653
870663
906688
Description

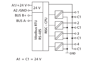
The Modbus module in a surface mounting housing with 4 digital inputs was developed for decentralized switching tasks. It is suitable for detecting potential-free switch states from electrical limit switches and their external status display such as fire dampers or vent valves. The inputs can be operated by means of potential-free switches or contacts or used as voltage inputs. The inputs can be scanned by means of standard registers via a Modbus master. Module address, bit rate and parity are set with two rotary switches or by software.The device has two externally connectable display modules.

Technical Data
General Data
Modbus RTU
00 to 99
RS485 (two-wire bus)
1200 to 115200 bit/s
24 V AC/DC +/- 10% (SELV)
50 mA (AC) / 20 mA (DC)
100 %
4 x digital
30 V AC/DC
more than 7 V AC/DC
Green, red and yellow LED
multi color LED
2x RJ45
160 x 40.7 x 120 mm
300 g
-5 °C to 55 °C
-20 °C to 70 °C
IP20 / IP20
Check US distributor inventory
Accessories
Part number
110834131901IP
4250184162957
Downloads
FAQ's

What can I do if the red ERROR LED on the module lights up or there is no communication?

There are several possible causes, please check the following:

- Operating voltage (A1 / A2) connected and sufficient for the device.
- BUS (A- / B+) connected and not reversed. Pay attention to (- / +), not to A/B.
- Address (rotary switch) set correctly, must not occur twice or be 0.
- Bit rate and parity (rotary switch) set correctly, only possible in programming mode (see mounting note).
- Shielded and twisted cable used.
- Termination resistor (120 Ω) set on both sides.
- Bias resistors available once on the BUS.
- Timeout high enough for all participants to respond (approx. 10 ms).

× Do you have any questions?